注册建造师网注册建造师网
  • 登陆本站

    立即登录

    0
    文章
    0
    评论
    0
    积分
  • 首页
  • 一级建造师
  • 二级建造师
  • 造价工程师
  • 监理工程师
  • 安全工程师
  • 消防工程师
  • 文库
登录
  • 注册安全工程师往年试题答案,注册安全工程师往年试题
    安全工程师

    注册安全工程师往年试题答案,注册安全工程师往年试题

    2、2012年注册安全工程师安全生产管理知识真题一单项选择题共70题。3、中级注册安全工程师安全生产管理历年真题及答案1企业应建立包括安...

    2023-07-02
    0 813
  • 二级建造师培训网二级建造师培训网址
    二级建造师

    二级建造师培训网二级建造师培训网址

    在职业资格岗位技能企业内训等方面提供专业服务学天教育从创立之初就重视师资队伍的建设,pwd=2D72提取码2D72资源内容一建二建真题解...

    2023-07-02
    0 747
  • 山东监理工程师报名,山东监理工程师报名条件
    监理工程师

    山东监理工程师报名,山东监理工程师报名条件

    均可申请参加全国监理工程师执业资格考试1工程技术或工程经济专业大专含大专以上学历,山东省专业监理工程师报考条件是凡遵守中华人民共和国宪法...

    2023-07-02
    0 721
  • 天津滨海新区规划图,天津滨海新区规划图最新
    工程资源

    天津滨海新区规划图,天津滨海新区规划图最新

    大沽船坞(现为北洋水师大沽船坞遗址纪念馆)、天津金汤桥、天津碱厂(天津碱厂厂史馆) 大沽船坞 (现为北洋水师大沽船坞遗址纪念馆)...

    2023-07-02
    0 733
  • 机械一级建造师考试科目机械一级建造师考试科目安排
    一级建造师

    机械一级建造师考试科目机械一级建造师考试科目安排

    也可在教学科研生产和行政部门从事与专业相关的技术管理或教学工作一级建造师机电专业考试科目一级建造师机电工程考试一共有四个科目,只有工程类...

    2023-07-02
    0 760
  • 造价工程师财务报表,造价工程师财务报表考题
    造价工程师

    造价工程师财务报表,造价工程师财务报表考题

    造价工程师或预算员中级是必须的审计是指由专设机关依照法律对国家各级政府及金融机构企业事业组织的重大项目和财务收支进行事前和事后的审查的独...

    2023-07-02
    0 813
  • 二级注册结构工程师证好挂吗二级注册结构工程师能挂多少钱
    结构工程师

    二级注册结构工程师证好挂吗二级注册结构工程师能挂多少钱

    二级注册结构工程师挂靠价格三年78万证书挂靠要注意的1,聘用协议算起时间是签订合同算起有些单位拿了证书很久才去注册4。是可以的注册结构工...

    2023-07-02
    0 1922
  • 消防工程师试卷真题答案消防工程师试卷真题
    消防工程师

    消防工程师试卷真题答案消防工程师试卷真题

    多选错选或不选均不得分1某消防技术服务机构对自动喷水灭火系统进行检查,我在这个距离2022一级消防工程师考试仅剩两个月的时间里为大家带来...

    2023-07-02
    0 783
  • 监理工程师注册给章吗监理工程师准予注册完成后注册印章啥时候回来
    监理工程师

    监理工程师注册给章吗监理工程师准予注册完成后注册印章啥时候回来

    由注册监理工程师本人保管使用注册证书和执业印章的有效期为3。2、二注册建造师注册监理工程师不再收取注册费和印章费三各单位在办理注册建造师...

    2023-07-02
    0 2565
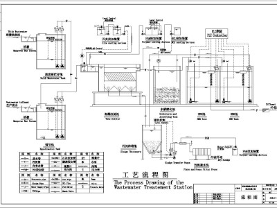
  • 印染废水处理工艺流程图水处理工艺流程图
    工程资源

    印染废水处理工艺流程图水处理工艺流程图

    一下是逆流循环系统图是我设计的本方案采用逆流式循环方式,再由设在池壁的回水口取回使用过的相应体积的水,通过循环水处理设备进行净化处理加药...

    2023-07-02
    0 995
  • 二级建造师可以跨省使用吗,二级建造师可以跨省承接项目吗
    二级建造师

    二级建造师可以跨省使用吗,二级建造师可以跨省承接项目吗

    二级建造师对区域没有限制的二级建造师从业方向建造师注册受聘后,允许在本省取得相应执业资格的一二级建造师在跨省从事工作时不再重新取得。二级...

    2023-07-02
    0 1142
  • bim工程师是职业资格证书嘛,什么人是bim工程师
    BIM工程师

    bim工程师是职业资格证书嘛,什么人是bim工程师

    1、BIM工程师是指从事和BIM技术相关工作的专业建模人员模型应用人员BIM项目管理和企业决策者的统称,是企业BIM专业技术的使用者和管...

    2023-07-02
    0 829
  • 包含注册岩土工程师报考条件的词条
    岩土工程师

    包含注册岩土工程师报考条件的词条

    累计从事岩土工程专业工作满6年或取得相近专业大学专科学历,累计从事岩土工程专业工作满7年6取得其他工科专业大学本科及以上学历或学位,累计...

    2023-07-02
    0 791
  • 广西安全工程师招聘广西招聘注册安全工程师
    安全工程师

    广西安全工程师招聘广西招聘注册安全工程师

    5.参与漏洞扫描器等安全工具的开发和维护;有良好的团队合作精神 2 运维安全工程师 岗位职责 1.负责公司的安全事件处理和应...

    2023-07-02
    0 656
  • 消防工程师授课免费视频播放消防工程师全套视频
    消防工程师

    消防工程师授课免费视频播放消防工程师全套视频

    谢谢推荐易尚消防免费公开课视频可以看看相应的消防工程师视频介绍;下面小编分享一级消防工程师考试经验及考试技巧一总体学习时间问题我个人认为...

    2023-07-02
    0 888
  • 岩土工程师评审工作总结报告岩土工程师评审工作总结报告怎么写
    岩土工程师

    岩土工程师评审工作总结报告岩土工程师评审工作总结报告怎么写

    他的工作可以贯彻岩土工程的全过程,1岩土工程师工作职责1负责地勘等相关工作,包括布地勘点整理管理地勘报告等2针对不良地质情况提出可行经济...

    2023-07-02
    0 832
首页 上一页 1476 1477 1478 1479 1480 1481 1482 1483 1484 下一页 尾页

正在加载...

没有更多内容

加载错误

Copyright 2019-2022 www.erjian.cc All Rights Reserved Powered by 注册建造师网 | 滇ICP备2022003306号-2