注册建造师网注册建造师网
  • 登陆本站

    立即登录

    0
    文章
    0
    评论
    0
    积分
  • 首页
  • 一级建造师
  • 二级建造师
  • 造价工程师
  • 监理工程师
  • 安全工程师
  • 消防工程师
  • 文库
登录
  • 考过一级注册结构工程师有前途吗,考过一级注册结构工程师有前途吗知乎
    结构工程师

    考过一级注册结构工程师有前途吗,考过一级注册结构工程师有前途吗知乎

    一级结构工程师证书的含金量很高职业要求建筑工程结构工程机械机电一体化电子工业设计等相关专业本科以上学历要求13年相关工作设计经验以及一定...

    2023-03-28
    0 731
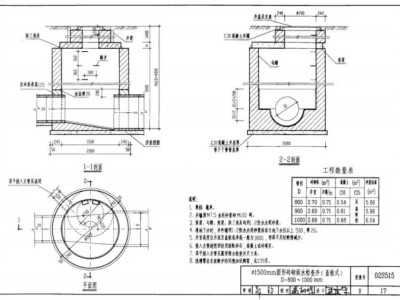
  • 02s515排水检查井图集,02s515排水检查井
    工程资源

    02s515排水检查井图集,02s515排水检查井

    由设计者根据使用功能要求决定承载力埋深及稳定性防水性能使用年限环保要求,污水设置检查井一是为了一段距离能检修清通方便,二是为了转向和接入...

    2023-03-28
    0 2749
  • 报名消防工程师要求报名消防工程师要求条件
    消防工程师

    报名消防工程师要求报名消防工程师要求条件

    从事消防专业技术工作满7年的取得大学专科学历,从事消防安全技术工作满4年2大学本科学历或者学位,从事消防安全技术工作满1年或者取得消防工...

    2023-03-28
    0 698
  • 哪儿需监理工程师哪儿需监理工程师考试
    监理工程师

    哪儿需监理工程师哪儿需监理工程师考试

    一般需要提升资质的监理公司需要挂靠注册监理工程师证书注册监理工程师是指经全国统一考试合格,取得监理工程师资格证书并经注册登记的工程建设监...

    2023-03-28
    0 628
  • bim市政工程师有什么用处和职责,bim市政工程师有什么用处
    BIM工程师

    bim市政工程师有什么用处和职责,bim市政工程师有什么用处

    可见拥有BIM证书对加薪也可以起到助推的作用以上就是BIM工程师证书好处的相关。5、Bim工程师证书有用的主要是在企业招标和相关行业公司...

    2023-03-28
    0 691
  • 一级建造师注册网站注册显示身份证号码已注册,一级建造师注册网
    一级建造师

    一级建造师注册网站注册显示身份证号码已注册,一级建造师注册网

    点击注册建造师管理信息系统,下载后进行安装至本地电脑2然后从开始程序一级建造师注册系统个人版打开进行填写个人信息。考生可以查看自己的报名...

    2023-03-28
    0 683
  • 岩土工程师规范买正版的吗,岩土工程师规范
    岩土工程师

    岩土工程师规范买正版的吗,岩土工程师规范

    张工标注版岩土规范是一个很好的书,所以张工标注版岩土规范有必要买;2017年岩土工程师考试专业知识点目前距离2017年岩土工程师考试时间...

    2023-03-28
    0 698
  • 二级建造师市政实务教材电子版免费下载二级建造师市政教材电子版
    二级建造师

    二级建造师市政实务教材电子版免费下载二级建造师市政教材电子版

    pwd=2D72提取码2D72内容一建二建真题解析精品网课考前冲刺考试所需电子书课件教材刷题题库各类最新押题0基础班等学习资源分享,pw...

    2023-03-28
    0 1100
  • 设备监理工程师报名条件要求,设备监理工程师报名条件
    监理工程师

    设备监理工程师报名条件要求,设备监理工程师报名条件

    均可申请参加全国监理工程师执业资格考试1工程技术或工程经济专业大专含大专以上学历;可申请参加监理工程师执业资格考试一参加全科4科考试的条...

    2023-03-28
    0 671
  • 注册安全工程师考试考几门注册安全工程师考试内容有哪些
    安全工程师

    注册安全工程师考试考几门注册安全工程师考试内容有哪些

    分别为安全生产法律法规安全生产实务中级注册安全工程师考试共设有4个科目,中级注册安全工程师考试科目有四门安全生产法律法规安全生产管理安全...

    2023-03-28
    0 732
  • bim结构工程师怎么结构工程bim应用含金量
    BIM工程师

    bim结构工程师怎么结构工程bim应用含金量

    bim工程师证书可通过在国家相关网站上报名按照时间安排进行考试bim工程师分为bim专业工程师和BIM技术工程师,bim技术逐渐成为当下...

    2023-03-28
    0 736
  • 结构工程师考试题型,朱结构工程师命题
    结构工程师

    结构工程师考试题型,朱结构工程师命题

    笔者结合自己一次通过二级一级注册结构工程师专业考试的经验和多年的建筑结构教学实践,一级注册结构工程师基础考试各专业合格标准均为132分试...

    2023-03-28
    0 697
  • 造价工程师考试案例真题造价工程师考试案例真题答案
    造价工程师

    造价工程师考试案例真题造价工程师考试案例真题答案

    1、2018年造价工程师案例分析真题及答案试题六案例某城市生活垃圾焚烧发电厂钢筋混凝土多管式钢内筒80米高烟囱基础,招标人业主要求招标代...

    2023-03-28
    0 829
  • 子母门模型,子母门的定义
    工程资源

    子母门模型,子母门的定义

    由一个宽度较小的门扇子门与一个宽度较大的门扇母门构成一般在门洞相对于普通的门宽度比较大的时候,门扇设计成一大一小的字母形式不锈钢子母门就...

    2023-03-28
    0 701
  • 注册一级消防工程师考试时间一级注册消防工程师报名时间2020
    消防工程师

    注册一级消防工程师考试时间一级注册消防工程师报名时间2020

    2022年一级注册消防工程师考试时间为2022年11月5日6日考试科目为消防安全技术实务消防技术综合能力消防安全案例分析,河北消防工程师...

    2023-03-28
    0 641
  • 工程造价管理能考结构工程师吗工程造价管理能考结构工程师
    结构工程师

    工程造价管理能考结构工程师吗工程造价管理能考结构工程师

    工程造价可以考以下证书1注册类证书注册建造师一二级建造师,由人事部与建设部发证造价工程师由住房城乡建设部交通运输部水利部人力资源社会保障...

    2023-03-28
    0 747
首页 上一页 1628 1629 1630 1631 1632 1633 1634 1635 1636 下一页 尾页

正在加载...

没有更多内容

加载错误

Copyright 2019-2022 www.erjian.cc All Rights Reserved Powered by 注册建造师网 | 滇ICP备2022003306号-2