套管图集风管套管图集
- 工程资源
- 2023-02-07
- 973
02s404防水套管厚应不小于300如小于300,则应使墙壁一边加厚或两边加厚,加厚部分的直径至少为D5+20002s404防水套管的重量以L=300计算,如墙厚大于300时,应另行计算02S404防水套管一般穿过墙壁之处受有振动或有严密防水;02S404防水套管是防水套管的一种,是根据中国建筑标准02S404防水套管图集设计的,它对管径和法兰的厚度以及内外径都有严格的要求,必须严格按照02S404防水套管图集标准来制作,按结构也可分为02S404刚性防水套管和02S404柔性防水套管。
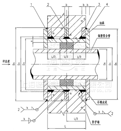
选择柔性防水套管,应综合考虑多方面因素这里分享一些小经验,希望对你有所帮助柔性防水套管因为市场的不规范竞争,现阶段分为国标和非标两种,国标指按建设部相关的02S404或02S312标准图集选材和生产,对法兰厚度翼环厚度;刚性防水套管图集上表中DN为防水套管公称通径,D1为该套管设计穿管外径,D3为防水套管管子外径,D4为翼环外径L长度 b环的厚度 δ管 厚度K填充物02S404刚性防水套管的适用性刚性防水套管适用于管道穿墙处不承受管道振动。
10mm07fd02人防套管又被称为密闭防水套管,距离门的尺寸是10mm人防密闭肋套管的主要作用是为了解决有些地下工程需要管路穿墙而过,但通过处又有严密防水的要求,有一些构筑物也需管路穿墙而过;合订本就没有,单本08D8001~8就有目录如下图,还有07FD01 防空地下室电气设计示例,07FD02 防空地下室电气设备安装不过你的留邮箱号。

您好很高兴为您解答根据图集上面的设定,刚性防水套管分好几个型号A型只是其中一种,在套管的里面大多数都是中间位置焊接一个挡圈主要起定位和固定管子的作用有助于以后安装管道的时候做封堵希望可以帮助您,满意请;安装里的04S404是国标图集防水套管,是关于防水套管的图集管道穿过铁道马路街道等处,为防止管道受荷载被压坏,而在管道外部设置保护性套管,如大口径混凝土管道,大口径钢管等避免外力荷载直接作用在管道外壁上。
人防密闭套管图集
是12D8 内线工程,P114页,直埋电缆穿墙引入做法如下图。

柔性防水套管是按照02S404防水套管国标图集生产的,我们在实际生产中,好多客户看不懂图集,咨询δ,b,k,这几个符号是什么意思现在我们就这几个符号给大家做一下介绍δ钢套管厚度 b翼环厚度 k钢套管与翼环的焊接坡口。
根据与标准图集可以分为国标和非标国标型防水套管是指完全按照建设部相关的02S404或02S312标准图集选材和生产,对法兰厚度翼环厚度管径与厚度都有严格的要求非标则是在外形和大概结构符合标准图集的情况下,选材时对。
a型防水套管图集
1、02s404防水套管厚应不小于300如小于300,则应使墙壁一边加厚或两边加厚,加厚部分的直径至少为D5+20002s404防水套管的重量以L=300计算,如墙厚大于300时,应另行计算。
2、02S404防水套管和02S312防水套管都是常用的一种,目前市场上的套管都是非标的,由于不同的是02S404防水套管是按照02S404防水套管图集生产的,柔性分为A型B型,刚性防水套管分为A型B型C型,而S312防水套管是按照312防水套。
3、按“建筑电气安装工程图集设计·施工·材料 第一集 第二版”第517518页,“建筑安装工程施工图集第二版03 电气工程”39页要求施工。
4、防水套管图集中代号δ是指钢套管厚度代号b是指翼环厚度代号k是指钢套管与翼环的焊接坡口深度不管是柔性穿墙防水套管还是刚性穿墙防水套管都是用于管道穿过受有振动或有严密防水要求的建筑物墙壁的五金配件,常用于建筑。
免责声明: 本站提供的任何内容版权均属于相关版权人和权利人,如有侵犯你的版权。 请来信指出,我们将于第一时间删除! 所有资源均由免费公共网络整理而来,仅供学习和研究使用。请勿公开发表或 用于商业用途和盈利用途。
本文链接:http://www.erjian.cc/ziyuan/11115.html

发表评论