机床电气原理图一般由哪几部分电路组成,机床电气原理图
- 工程资源
- 2024-09-07
- 431
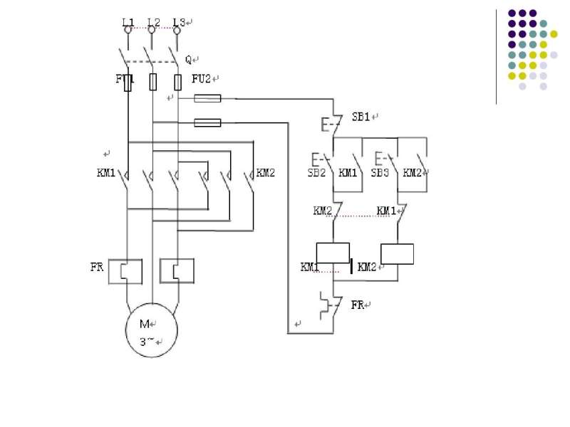
如下图所示转子转速与定子旋转磁场的转速相同的交流电机其转子转速n与磁极对数p电源频率f之间满足n=60fp转速n决定于电源频率f,故电源频率一定时,转速不变,且与负载无关具有运行稳定性高和过载能力大等特点主要优势常用于多机同步传动系统精密调速稳速系统和大型设备如轧钢机等;四方刀架1松开刀架电动机与刀架内一蜗杆相连,刀架电动机转动时与蜗杆配套的涡轮转动,此涡轮与一条丝杠为一体的称为“涡轮丝杠”当丝杠转动时会上升与丝杠旋合的螺母与刀架是一体的,当松开时刀架不动作,所以丝杠会上升,丝杠上升后使位于丝杠上端的压板上升即松开刀架2 换刀刀架松开;C620-1型普通车床的电气控制原理图如下1电气控制原理图的构成及作用 电气控制原理图可分为主电路控制电路及照明电路主电路中的M1为主轴电动机,拖动主轴旋转M2为冷却电动机,输出冷却液因它们的容量均小于10kW,可采用全压启动控制电路是由按钮热继电器和接触器线圈组成,通过按钮SB1和SB;QF2,是个D类25A电动机断路器XT1,接线端子排 TC2,380变220V变压器 km2,交流接触器;如下图所示的是M7232平面磨床电气控制电路,下面的表格是与之对应的主要电气元件表其机械结构由床身工作台电磁吸盘砂轮箱滑座等部分组成,工作台上装有电磁吸盘,用以吸附工件工作台在液压传动机构作用下,沿着床身的导轨作往返运行,砂轮箱在电动机M4的驱动下可在主导轨上作垂直运行其电。
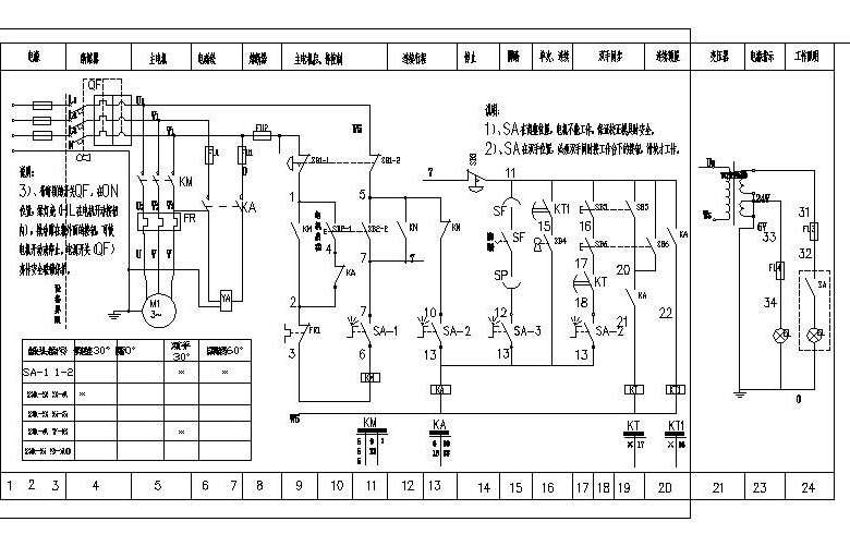
一下面是z3050型摇臂钻床电气原理图Z3050摇臂钻床主要由底座内立柱外立柱摇臂主轴箱工作台等组成内立柱固定在底座上,在它外面套着空心的外立柱,外立柱可绕着内立柱回转一周,摇臂一端的套筒部分与外立柱滑 动配合,借助于丝杆,摇臂可沿着外立柱上下移动,但两者不能做相对转动,所以;您的问题应该是电气工作原理是什么普通车床的电气图在机床设备里算是比较简单的1从电气图分析,可以分解为主电路和控制电路2主电路是控制主轴液压快速电机润滑泵的工作电路3控制电路是通过按钮开关等开关元件控制主电路的交流接触器线圈,进而控制主电路4主电路是三相交流电流入;受篇幅所限,一次电路免绘了,仅绘二次控制电路供参考;根据电气传动的要求,用接触器KM1KM2KM3分别控制电动机M1M2和M3机床的三相电源由电源引入开关QS引入主电动机M1的过载保护由热继电器FR1实现,其短路保护由机床前一级配电箱中的熔断器实现冷却泵电机M2用FR2作过载保护快速移动电动机M3短时工作,不设过载保护由于M2M3容量小且相差不大;也有从主电路的一条相线和一零线上接来,电压为单相220V第二步了解控制电路中所采用的各种继电器接触器的用途,如采用了一些特殊结构的继电器,还应了解他们的动作原理第三步根据辅助电路来研究主电路的动作情况第四步研究电器元件之间的相互关系电路中的一切电器元件都不是孤立存在的而是;机床电气原理图是用来表明机床电气的工作原理及各电器元件的作用,相互之间的关系的一种表示方式对于分析电气线路,排除机床电路故障是十分有益的机床线路电气原理图一般由主电路控制电路保护配电电路等几部分组成阅读方法如下1主电路的阅读 阅读主电路时,应首先了解主电路中有哪些用电设备。

KS为速度继电器,其作用是在停车制动过程中,当转速大于其额定值,速度继电器常开触点闭合,进入反接制动当转速低于其额定值,速度继电器常开触点断开,切断反接制动电路,停车制动完成。
XY轴的原理是横轴和纵轴分别控制,以便实现立体控制成型;百度网盘机床电气控制线路图识图技巧_升级版高清在线观看 pwd=1234 提取码1234 内容简介 本书作者从多年工作和教学实践经验出发,依据国家职业技能标准和电气工程施工与验收规范,选择机床电气控制线路图识读作为切入点,致力于激发电工初学者的学习;机床电气识图一书立足于实际生产,从基础的识图原理和电路构建规则开始讲解,逐步深入探讨机床电气识图的策略与步骤全书共分为六章,详细阐述了机床控制线路的识图技巧以及电气元件的选择要点,涵盖了对基本控制线路的分析,包括交流调速系统和直流自动调速系统的理解接下来的章节专门针对各类机床,如;按实际位置画的只能是位置图或接线图,用来分析原理很烦杂,且即使非常熟悉设备,也经常会出错这是因为分析原理要求对一条线路按照元件动作顺序的因果关系进行分析而按照动作顺序的元件或者部件,经常交错在不同的安装位置,连接导线多且杂因此,为了分析原理的方便,人们就发明了电气原理图,就是按照。

电气原理图是用来表明设备电气的工作原理及各电器元件的作用,相互之间的关系的一种表示方式 运用电气原理图的方法和技巧,对于分析电气线路,排除机床电路故障是十分有益的 电气系统 电气原理图 电气系统图主要有电气原理图电器布置图电气安装接线图等 因此,电气原理图是电气系统图的一种是根据控制线图工作。
免责声明: 本站提供的任何内容版权均属于相关版权人和权利人,如有侵犯你的版权。 请来信指出,我们将于第一时间删除! 所有资源均由免费公共网络整理而来,仅供学习和研究使用。请勿公开发表或 用于商业用途和盈利用途。
本文链接:http://www.erjian.cc/ziyuan/26484.html

发表评论